반응형

오늘의 궁금한 이야기 주제는 압축기 계통도 입니다.
플랜트 산업에서 압축기(Compressor)는 회전기계에 속하는 기계장치로서 공정내에서 주어진 가스의 부피를 감소시키기 위해 압력을 증가시키고 이를 후속 공정으로 보내는 기계 장치의 총칭입니다.
압축기의 분류중에서 회전기계에 속하는 것은 베인, 수봉식, 스크류, 로브 타입이 있습니다. 오늘 다루고자하는 내용은 플랜트에서 사용되는 압축기의 일반적인 계통도(건식타입)에 대한 설명입니다. 단계별로 설명과 함께 기능을 살펴 보겠습니다.

그림 1에 압축기를 배치하였습니다. 기기번호는 C-00-01A를 부여하였습니다. 심볼은 일반적인 Centrifugal compressor를 적용하였습니다.

그림 2에 가스 입구/출구를 표기하였습니다. GAS INLET 을 통해서 혼합 기체가 들어옵니다. 이때 들어오는 기체들은 압축기의 타입에 따라서 다를 수 있습니다.
압축기의 형식은 크게 건식과 습식으로 구분됩니다. 건식타입은 혼합 기체의 형식이 비 응측성일때 사용하며 습식은 기체의 형식이 응축성일때 사용합니다.
대표적으로 건식은 공기 습식은 스팀을 예로 들 수 있습니다.

그림 3에 압축기를 구동시키기 위해서 모터(M-01A)와 기어박스 (G-01A)를 배치하였습니다. 설치되는 국가별 모터에 사용되는 전압의 사양에 따라 모터의 POLE수와 Hz 그리고 기어박스의 적용여부가 결정됩니다.
일반적으로 화학공장에서 사용되는 모터의 경우 위험구역안에 설치되는 경우가 많기 때문에 보편적으로 방폭형 모터를 적용해야 합니다.
기어박스의 효율에 따라 압축기의 성능에 차이가 있기 때문에 설계 마진이 충분히 있는지 사전에 점검해봐야 함을 기억해야 합니다.

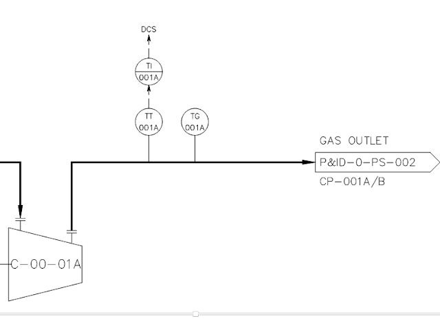
그림 4와 같이 압축기 토출방향으로 나가는 GAS의 온도측정을 위해 TT와 TG를 부착하였습니다. GAS의 온도에 따라서 펌프를 Trip 시키거나 Alarm 을 띄우기 위해 추가하였습니다.
TT001A는 Temperature transmitter로서 Temperature indicate(TI-001A) 이후에 측정값을 DCS (Distributed control system) 으로 송출하고 있습니다.
온도 측정을 위한 Element를 부착한 이유는 압축기 내부에서 Gas가 회전운동에 의해서 온도가 상승하고 후 공정으로 이동할 때 영향을 줄 수 있기 때문에 모니터링이 필요한 부분입니다.
후속 공정이 어떠한 Process이냐에 따라 출구 온도를 제한을 주고 공정을 관리하게 됩니다. 예를 들어 출구 온도가 100 Deg.C에 도달하게 되면 압축기를 Trip 한다는 등의 로직을 추가하게 됩니다.

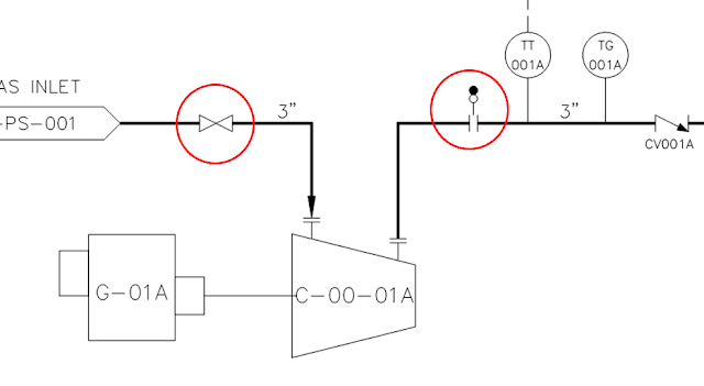
그림5에는 GAS가 OUTLET으로 이동후에 배압(Back pressure)에 의한 역류를 방지하기 위해서 Check valve 를 부착하였습니다.
일반적으로 압축기 후단에는 역류방지 벨브를 부착하는 경우가 있습니다. 목적은 역류 방지이지만 벨브가 가지고 있는 저항값으로 인해서 압축기가 가스를 이송시키는 풍량에 영향을 미치기 때문에 적절한 벨브를 선정해야 합니다.

그림 6에서는 콤프레셔의 유지 보수를 위해서 전단에는 게이트 벨브를 후단에는 Spectacle blind를 설치하였습니다. Spectacle blind에 대한 용어는 아래의 포스트(링크)에 정리되어 있습니다.

그림 7에서는 진동측정기를 압축기에 부착해서 진동을 모니터링 할 수 있게 배치하였습니다. VAH는 Vibration Alarm High 를 의미하는 것으로 진동에 의한 기기의 이상을 사전에 발견 할 수 있게 해주는 역활을 합니다.
진동은 일반적으로 소음을 동반하기 때문에 필드에서 손쉽게 발견되는 현상중에 하나입니다. 진동이 발행하는 가장 큰 이유는 회전자불균형 상태로 인한 비정상상태에서의 운전시 발생하게 됩니다.

그림 8에서는 압축기의 토출압력을 측정하기 위해서 PI와 PT를 부착하였습니다. 각각의 기능은 다음과 같습니다.
PI-001A : Pressure indicator
PT-001A : Pressure Transmitter
PAH-001A : Pressure Alarm High
PAHH-001A : Pressure Alarm High High
PAL-001A : Pressure Alarm Low
PALL-001A : Pressure Alarm Low Low
PI는 현장에서 눈으로 압력을 측정하기 위한 측정계기류를 말하며 PT는 전송기로서 압력의 높고 낮음을 측정하는 계기류를 말합니다.
압축기의 토출 압력은 입구에서의 압력보다 높습니다. 이는 이상기체 방적식이라고 하는 수식을 통해서 압축비와 연관이 있습니다.
압축기를 공급하는 회사별, 모델별 압축비는 차이가 있으나 일반적으로 1:5 이상입니다. 예를 들어 들어오는 압력이 1 psig 였다면 나가는 압력은 5 psig 가 되는 것입니다.

<그림 9. LUBE OIL COOLER>
그림 9에서는 LUBE COOLER 를 배치하였습니다. 압축기의 경우 회전시 베어링 부위를 냉각 윤할 시켜주는 것으로 LUBE COOLER SYSTEM 을 배치하였습니다.

그림 9에서는 LUBE COOLER 를 배치하였습니다. 압축기의 경우 회전시 베어링 부위를 냉각 윤할 시켜주는 것으로 LUBE COOLER SYSTEM 을 배치하였습니다.
압축기의 베어링 부위를 통해서 온도 상승된 윤활유를 회수하여 냉각시킨 후 다시 공급해주는 것 입니다.
그림 9의 LUBE COOLER는 건식타입의 압축기를 예로 든 것이며 습식의 경우는 열교환기를 사용해서 펌프 내부의 상승된 유체의 온도를 냉각시킨 후 다시 펌프로 공급하게 됩니다.

그림 10과 같이 압축기의 계통도가 완성되었습니다. 크게 압축기, 기어박스, 모터 그리고 LUBE COOLER와 자동제어를 위한 INSTRUMENT들이 포함되어 있는 것을 알 수 있습니다.
GAS INLET 을 통해서 들어온 GAS들은 압축기 내부에서 압축된 후 GAS OUTLET을 통해서 후 공정으로 이동하는 순 입니다.
이때 기기보호를 위해서 진동 측정계를 압축기에 설치하였으며 토출되는 가스의 압력과 온도를 측정하기 위한 ELEMENTS 들이 배치 되어 있는 것을 알 수 있습니다.
이상 궁금한 플랜트 이야기 였습니다.
이상 궁금한 플랜트 이야기 였습니다.
반응형
'P&ID 기초 교육자료' 카테고리의 다른 글
| [17회] Symbol & Legends 밸브라인 설명과 이해 (0) | 2023.10.19 |
|---|---|
| [16회] Symbol & Legend 배관라인 해설집 (2) | 2023.10.19 |
| [13화] P&ID 약어모음 I (0) | 2023.10.18 |
| [12회] Separator P&ID 기본 배열의 이해 (0) | 2023.10.18 |
| [11회] 저장탱크 P&ID 기본 배열 (0) | 2023.10.18 |
댓글