P&ID 기초 교육자료

[11회] 저장탱크 P&ID 기본 배열

Chandleridle 2023. 10. 18.
반응형


저장탱크 P&ID 기본 배열 및 설명

Storage Tank의 P&ID Configuration을 살펴보겠습니다.

Storage Tank는 물이나 기름을 저장하는 탱크의 총칭입니다. Storage Tank는 사용 압력과 용도에 따라서 형태가 구분됩니다. 

 
몇가지 예를 들면
Dome Roof tank(DRT) 는 사용 압력이 17.2 psia 이하에서 Vapor압력이 높은 유독성 Liquid 보관목적, Cone Roof Tank(CRT) 부식성 유체나 공업용수,등을 저장 할 때 사용됩니다.

P&ID를 해독하거나 그릴 때 사전에 Storage tank의 사용 목적과 Design 조건을 확인 해야 한다는 점 기억해야 합니다.
 
<Figure 1. Cone Roof Tank - CRT>


 
 
 
STEP 1.

그림 1 과 같이 Cone Roof Tank - CRT type 을 배치하였습니다. 사용 목적은 Potable Water를 보관하는 것으로 하겠습니다.
<Figure 2. Inlet/Outlet>



STEP 2.

그림 2 에 Potable water in/out 을 위한 배관을 배치하였으며 배관 사이즈는 6"로 선정하였습니다. 배관 선정 기준은 탱크의 용량과 In/out 의 Fluid 이송량을 기준으로 산정하여야 합니다. 추가로 Gate valve GB001B/C 를 유지보수, Flow open/close 목적을 위해 설치하였습니다.
 
<Figure 3. LAH & LAL for Storage tank level>


 


STEP 3.

그림 3 에  ST-001A의 수위를 측정하기 위한 Level transmitter를 설치하였습니다. Level transmitter 의 타입은 Ultrasonic type(초음파 방식 레벨측정)을 적용하였습니다.
 

LI-001A에서 ST-001A의 Level을 측정하고 있는 상태이며 이 값이 LI-001A을 통해서 Indicating 되고 있습니다.
 

LAH-001B는 Level Alarm High입니다. 
 
이는 ST-001A의 Level 이 Normal을 초과하여 Set Value에 도달 즉 적정 수위를 초과하였을 때 제어실에 알람을 울려서 High상태를 알려줍니다.
 

LAL-001B는 Level Alarm Low입니다. 이는 ST-001A의 Level 이 Normal을 초과하여 Set Value에 도달 즉 적정 수위이하가 되었을 때 제어실에 알람을 울려서 Low상태를 알려줍니다.


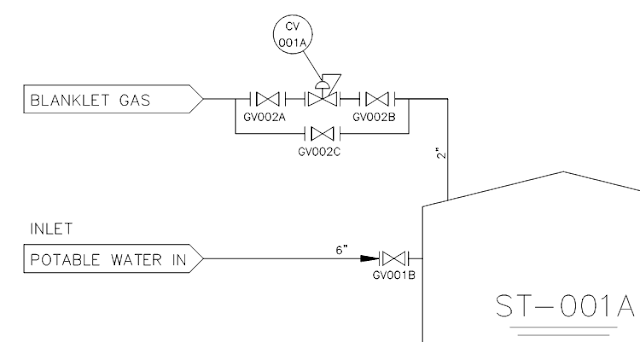
<Figure 4. Blanket Gas>


 
STEP 4.

그림 4 에  Blanket Gas 라인을 설치하였습니다.
Blanket Gas란 Storage tank (ST-001A)안에 압력을 가해서 보관되는 Fluid의 오염을 방지하고 폭발의 위험성을 낮추기 위해 사용되는 것 입니다. 
 
이때는 GAS는 Nitrogen을 사용합니다.

Control valve 001A 주외로 GV002A/B/C 가 설치 되어 있습니다. 이는 By-pass를 위한 것으로 Control valve 가 고장이거나 유지보수가 필요할 때 Blanket Gas의 방향을 By-pass 하기 위해 설치 한 것입니다. Configuration은 다음과 같습니다.


Normal Case의 경우와 Maintenance Case의 유체의 흐름을 보면 By-pass 의 원리를 이해 할 수 있습니다. 
 
설치 되어 있는 밸브의 Position (Open/Closed) 에 따라서 유체의 흐름이 바뀌게 되며 이를 응용하여 CV-001A의 유지보수시에 사용하게 됩니다. By-pass는 배관 여러 라인에서 응용할 수 있습니다.


Storage Tank 의 P&ID Configuration이 완성된 모습입니다.

이상 궁금한 이야기였습니다.
반응형

댓글