
Symbol & Legend 배관라인 해설집 by Plant Inside.
P&ID를 해독하거나 Drafting 할 때 Piping 관련 Symbol & Legend는 어떠한 것들이 있으며 어떠한 의미를 가졌는지 예시 및 설명과 함께 살펴보겠습니다.

설명 ☞ 그림 1은 P&ID상에서 파이프 관련 Symbol & Legend입니다. 좌측부터 순서대로 Major Process Line , Frag 입니다.
1. Main Process Line
|
Symbol & Legend
|
설명
|
|
|
주요 배관을 뜻하며 아래와 같이 호칭합니다. Main Process Line
Major Process Line
Main Pipe Line
Main Piping Line
|
▶ Main Process Line이 P&ID에서 어떻게 표기되는지 살펴보겠습니다.

설명 ☞ 그림 2에 Main process line을 예시하였습니다. 다른 선들과 다르게 조금 굵게 표시된 것을 알 수 있습니다. 이처럼 공정상에서 주요 배관을 뜻하며 다른 선 과 다르게 굵기에 차이를 주어야 한다는 점 기억해야 합니다.
2. Minor process line
|
Symbol & Legend
|
설명
|
|
|
공정상에서 주요하지 않은 배관을 뜻합니다. CAD상에서 색을 부여해서 명시합니다. (보라색 등)
아래와 같이 호칭합니다. Minor process line |
▶ Minor Process Line이 P&ID에서 어떻게 표기되는지 살펴보겠습니다.

설명 ☞ 그림 3에 Minor process line을 분홍색으로 지정하였습니다. Minor process line은 공사 및 공정별 기기별에 따라 다르기 때문에 사전에 확인해야 함을 기억해야 합니다.
3. Main Process Line
|
Symbol & Legend
|
설명
|
![]() |
Insulation, Protection, Heat Tracing을 뜻합니다. X = HOT INSULATION C = COLD INSULATION P = PERSONNEL PROTECTION A = ACOUSTIC PROTECTION E = ELECTRICAL HEAT TRACING |
▶ 다섯가지 LINE 중에서 ELECTRICAL HEAT TRACING을 예로 들어 보겠습니다. Heat tracing은 보온전기열선을 뜻합니다. 겨울철이나 차가운 지방혹은 옥외에 설치되는 장치 및 기계류에 보온이 필요한 경우 설치합니다.

설명 ☞ 그림 4에 보온열선 라인을 예시하였습니다. 표기가 된 구간에 대해서는 실물에 대해서 보온열선을 한다는 것을 의미합니다. 이처럼 INSULATION, PROTECTION 등에 대해서는 P&ID상에 NOTE를 추가해서 사양이나 범위 등을 추가적인 정보로 기재하는 경우가 있습니다.
4. Limit Line
|
Symbol & Legend
|
설명
|
![]() |
공급범위를 뜻 합니다. 이점쇄선으로 표기된 선을 기준으로 문자가 위치한 곳이 VENDOR(기계,장치 공급업체) SCOPE 입니다. SKID LIMIT은 한계를 의미합니다. 호칭은 아래와 같습니다. LIMIT OF VENDOR PACKAGE LIMIT OF SKID SCOPE OF SUPPLY SCOPE OF VENDOR SCOPE OF OTHER |
▶ LIMIT LINE이 P&ID에서 어떻게 표기되는지 살펴보겠습니다.

설명 ☞ 그림 5는 LIMIT LINE (제한선)의 예시입니다.
5. Future Line
|
Symbol & Legend
|
설명
|
![]() |
Future(미래,장래,앞날) 말 그대로 현재는 아니지만 미래에는 무엇인가를 행위를 한다는 뜻 입니다. CAD상에 색깔을 구분지어서 표기합니다. (예, 하늘색) 아래와 같이 호칭합니다.
FUTURE LINE |
▶ Future Line이 P&ID에서 어떻게 표기되는지 살펴보겠습니다.

설명 ☞ 그림 6은 FUTURE LINE 의 예시입니다.
6. Flow Arrow
|
Symbol & Legend
|
설명
|
![]() |
Flow Arrow는 화살표방향으로 Fluid의 흐름을 지시하는 것을 뜻 합니다. 호칭은 다음과 같습니다. Flow Arrow Arrow Line |
▶ Flow Line이 P&ID에서 어떻게 표기되는지 살펴보겠습니다.

7. Pipe Coupling

|
Symbol & Legend
|
설명
|
![]() |
배관과 배관을 연결해 주는 Coupling을 뜻 합니다. 호칭은 다음과 같습니다.
다양한 타입들이 있습니다. (용접형, 나사산형 등) Pipe Coupling |
8. Union

|
Symbol & Legend
|
설명
|
![]() |
배관과 배관을 연결해 주는 Union 입니다. 호칭은 다음과 같습니다. 내부에 오리피스를 끼워 넣을 수 있는 오리피스 유니온도 있습니다. 배관과 배관을 조립할 때 유용합니다. Union |
|
Symbol & Legend
|
설명
|
|
|
플랜지와 플랜지 연결 부를 뜻 합니다. 호칭 : Line Flange |


10. End flange / Cap / Screwed

|
Symbol & Legend
|
설명
|
![]() |
왼쪽 위에서 부터 순차적으로 End Flange (혹은 Blind Flange) Flange로 마감한 상태 이며 Spare로 사용할 경우 적용함. 주로 압력용기에 사용. End Cap : 작은 구경의 파이프의 끝 부분 마감시에 사용. End Screwed Cap : 작은 구경의 파이프의 끝 부분 마감시에 사용. |
설명 ☞ 사진에 붉은 구름마크 사이에 Blind Flange가 부착되어 있는 것을 예시하였습니다. 이처럼 End Flange / Cap / Screwed Cap 등은 장치나 배관류의 마감에 적용하게 됩니다.
11. Reducer
|
Symbol & Legend
|
설명
|
![]() |
호칭은 순서대로 다음과 같습니다. Reducer Bottom Flat Eccentric Reducer Top Flat Eccentric Reducer 리듀서는 크기가 서로 다른 배관을 연결할 때 사용합니다. |
▶ Reducer가 P&ID에서 어떻게 표기되는지 살펴보겠습니다.

11. Spectacle Blind
|
Symbol & Legend
|
설명
|
![]() |
Flange와 Flange연결부위에 위치해서 유체의 흐름을 차단 및 개폐하는데 그 목적이 있습니다. 예를 들어 라인의 점검이 필요 하거나, Shut off, 라인을 폐쇄하는 경우가 있습니다. 호칭은 다음과 같습니다. Spectacle Blind |
|
Symbol & Legend
|
설명
|
![]() |
좌측 위에서부터 호칭은 Spade Ring Spacer 사용 목적은 기본적으로 Spectacle Blind와 동일합니다. |
▶ Spectacle Blind가 P&ID에서 어떻게 표기되는지 살펴보겠습니다.



|
Symbol & Legend
|
설명
|
|
|
Flange와 Flange사이에 Spacer처럼 설치 되어 유체의 Bleed, Vent, Drip, Drain용도로 사용하게 됩니다. 호칭은 다음과 같습니다. Bleed Ring |
▶ Bleed Ring이 어떻게 설치 되는지 살펴 보겠습니다.

Bleed/Vent : 배관내 유체의 레벨을 조절하거나 내부의 공기를 빼내는 작업을 할 때.
Drip, Drain : 배관내 유체를 하부방향으로 빼내는 작업을 할 때.
13. Insulating Joint
|
Symbol & Legend
|
설명
|
![]() |
전류의 흐름을 제어해서 배관 라인의 Cathodic protection(음극화제어) - 구조물 부식 보호 및 제어를 하기 위해 설치 하는 것을 뜻 합니다. 호칭은 다음과 같습니다. Insulating Joint Insulation Joint |
14. Flexible Hose
|
Symbol & Legend
|
설명
|
![]() |
주금관처럼 유연성을 가지고 있는 호스를 뜻 합니다. 플렉시블 호스. 호칭은 다음과 같습니다. Flexible Hose |
15. Bellows
|
Symbol & Legend
|
설명
|
![]() |
배관 연결시에 축방향, 수펴방향, 각도에 의한 영향(진동등)이 있는 경우 사용합니다. 호칭은 다음과 같습니다. Bellows |
16. NP
|
Symbol & Legend
|
설명
|
![]() |
NP는 배관 라인 형성시에 POCKET이 형성되면 안되는 구간에 적용합니다. POCKET의 종류는 AIR POCKET, WATER(유체) POCKET 이 있습니다. NO POCKET |
▶ NP가 P&ID에서 어떻게 설치 되는지 살펴보겠습니다.


16. DRAIN DIRECTION
|
Symbol & Legend
|
설명
|
![]() |
DRAIN을 위해서 배관을 제작할 때 적용해야 하는 항목입니다. 왼쪽 위부터 호칭은 다음과 같습니다. DRAIN DIRECTION SHOWN DRAIN EACH WAY TO LOW POINT DRAIN EACH WAY FROM HIGH POINT |
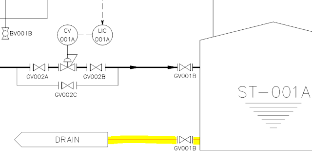
▶ DRAIN DIRECTION이 P&ID에서 어떻게 설치 되는지 살펴보겠습니다.

설명 ☞ 그림 12에 NO(NO POCKET)을 표기하였습니다. 위의 그림 처럼 배관 라인에 구배를 주어서 유체의 흐름(DRAIN)을 원할 하게 하는데 그 목적이 있습니다.
17. FRAG
|
Symbol & Legend
|
설명
|
![]() |
FRAG 입니다. 이는 공정상에서 PROCESS 의 흐름의 전/후단계를 지시하는데 그 목적이 있습니다. 호칭은 FRAG 입니다. |
▶ FRAG가 P&ID에서 어떻게 설치 되는지 살펴 보겠습니다.

참고자료
배관 선 기호


이상 궁금한 이야기였습니다.
'P&ID 기초 교육자료' 카테고리의 다른 글
| [18회] P&ID 해독하기 Kettle Reboiler (0) | 2023.10.19 |
|---|---|
| [17회] Symbol & Legends 밸브라인 설명과 이해 (0) | 2023.10.19 |
| [15회] 압축기 계통도 보는 법 (1) | 2023.10.18 |
| [13화] P&ID 약어모음 I (0) | 2023.10.18 |
| [12회] Separator P&ID 기본 배열의 이해 (0) | 2023.10.18 |




















댓글