반응형

질소 Purge 란 무엇이며 주요 사용목적은 무엇인가라는
주제를 가지고 포스팅을 진행하겠습니다.
플랜트 산업 관련 엔지니어링 과정 중에
간혹 혹은 자주 듣는 용어가 중에 하나가 바로 Purge입니다.
불활성 가스 퍼지라는 용어보다는 퍼지 하면

질소가 아닌 퍼지 목적의 가스를 사용하고자 할 때는
플랜트를 운영하는 데 있어 Maintenance(유지 보수) 는

질소 Purge는 위의 주된 목적 외에도 공정상 에서의




Purge 란 우리말로 제거한다는 뜻을 가지고 있습니다.
요 단어 앞에다가 질소나 Inert gas 단어를 붙여서
하나의 용어로 사용됩니다.
- N2 purge = 질소 퍼지
- Inert gas purge = 불활성 가스 퍼지
반응형
Purging의 정의
질소 고유의 특성으로 석유 및 가스, 육상 해상
파이프라인 산업에서 여러 가지 효과적인 용도로 사용합니다.
위험한 상황과 환경에서 건조하고 불황성인 질소는
가동 중지와 시동 작업 전에 여러 가지 유지보수 작업을
수행할 수 있는 안전한 환경을 만들어 내는 가스입니다.
퍼징은 밀폐된 공간에 포함되어 있는 비흡수 가스
또는 증기를 제거하는 방법으로 질소, 이산화탄소,
공기와 같은 중성, 버퍼 가스를 이용하며
밀폐 시스템 내 존재하는 프로세스 가스가
볼륨이 충분히 클 경우 주변의 공기를 퍼징 가스로
사용하여 환기 작업을 수행할 수 있습니다.
불활성 가스 퍼지라는 용어보다는 퍼지 하면
단연 질소 퍼지를 많이 사용합니다.
불활성 가스란 다른 화합물과 반응하지 않는
기체를 말하는 것으로 질소는 플랜트 현장에서
가장 많이 사용되는 불활성 가스입니다.

질소는 식품산업을 비롯해 여러 분야에서
사용하지만 플랜트 산업에서 질소는
산업안전과 밀접한 연관성을 가지고 있습니다.
질소가 아닌 퍼지 목적의 가스를 사용하고자 할 때는
불활성 가스 내에 산소의 함유량이 0.5% 미만일 때만
제한적으로 허용하며 이를 초과하고 수소가 5% 이상인
공간 내에서는 연소에 의한 폭발 위험성이 상존하게 됩니다.
이는 엄격하게 통제되고 관리되어야 하는 부분입니다.
플랜트를 운영하는 데 있어 Maintenance(유지 보수) 는
공장 관리에 있어서 가장 중요한 요소입니다.

질소 Purge는 유지 보수를 하기 전 단계에서
수행하는 것으로 밀폐된 공간 혹은 장치류의
잔류 Gas, 즉 폭발성, 연소성 Gas를 제거하는데 주 목적이 있습니다.
예를 들어서 거대한 Vessel 이 하나 있고 안에는
폭발성 Gas 가 가득 차 있습니다.
유지보수 기간이 되어서 Vessel 안에 사람이
들어간다고 가정해 보겠습니다.
그냥 들어가면 굉장히 위험한 상황에 놓일 수 있습니다.
따라서 화학적 반응이 없는 불활성 Gas인 N2 를 Vessel
안에 집어넣어서 특정 Gas를 외부로 안전하게 밀어 낸
이후에 안정성이 확보된 후 유지 보수를 실시하게 되는 것이지요.
질소 Purge는 위의 주된 목적 외에도 공정상 에서의
특정 Gas를 이송 시키거나 기기의 밀봉을 위한 Seal Gas로 사용됩니다.
질소 Purge 방법
불활성 가스를 추가하는 일반적인 방법은 다음과 같습니다.
- 진공 퍼지 (Vacuum purging)
- 압력 퍼지 (Pressure purging
- 사이펀 퍼지 (Siphon purging)
- 스윕 스루 퍼지 (Sweep-Through purging)
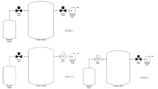
1) 진공 퍼지 (Vacuum purging)
불활성화할 용기가 진공 압력을 견딜 수 있도록
설계된 경우 반복 적으로 용기에 진공압력을 가해
불황성 가스를 채워 넣어 내부를 불활성 상태로 만들 수 있습니다.

2) 압력 퍼지 (Pressure purging)
불활성화할 용기가 높은 압력을 견딜 수 있도록
설계된 경우 반복 적으로 용기를 가압하여 퍼지 및
잔류 가스가 혼합되도록 한 후 압력을 완화하여
불활성 상태를 만들 수 있습니다.

3) 사이펀 퍼지 (Siphon purging)
사이펀 퍼징 프로세스는 두 단계를 거칩니다.
1) 액체를 채워 용기 내 가스를 대체하고
2) 퍼지 가스로 용기 내 액체를 대체합니다.

4) 스위프 스루 퍼지 (Sweep-through purging)
불활성 가스는 스위프 스루 퍼지에서 용기를 통해
지속적으로 흐를 수 있습니다.
용기 내 잔류 가스가 퍼지 가스에 의해 대체 혹은 혼합될 수 있습니다.
퍼지 가스의 입구와 출구가 적절하게 배치되지 않으면
퍼지 가스가 변위되지 않고 용기내 잔류 가스와
완전히 홉합되지 않을 수 있습니다.
스위프 스루 퍼지를 효과적으로 사용하기 위해서는
퍼지 가스가 용기 전체 부피에 걸쳐 흐르도록 하는 것이 중요합니다.

질소 Purge 요약
질소 Purge는 시스템 용기 내 공기를 제거하고
시스템을 청소 보호, 산업 분야 전반에 사용됨.
- 대기 중 산소를 제거하여 부식, 산화 화재 위험을 감소
- 공기 중 수분, 산소, 먼지가 제품 품질에 미치는 영향을 감소
- 가스, 화학물질에 의한 폭발 위험이 있는 장소에 Purge를 사용하여 위험 최소화
- 용기나 반응기 내부를 비우는 역할
- 용접 작업 시 산소와의 반응을 방지하여 용접부 강도, 내구성 향상.
반응형
'엔지니어링 기술자료' 카테고리의 다른 글
| 주물의 대표주자 Cast Iron 특징 (0) | 2023.11.15 |
|---|---|
| Silencer 를 설치하는 이유 (0) | 2023.11.15 |
| 플랜트 유지보수 활동 (0) | 2023.11.15 |
| 황화수소의 특징과 ppm별 인체에 미치는 영향 (0) | 2023.11.15 |
| H.S.E (Health Safety Environment) 의 정의와 사고 발생의 주요 원인 (0) | 2023.11.15 |
댓글