반응형

P&ID 해독 Overriding process control
Overriding process control 이란 무엇을 말하는 것일까요?
Overriding은 형용사로서 최우선되는 이라는 뜻을 가지고 있습니다.
직역을 하면 최우선되는 공정 제어 라는 뜻이 되겠네요. Overriding process control 의 기본 Scheme(계획) 은 두개의 Sensing 장치 (Transmitter 등)를 이용하여 하나의 Control valve 를 동작 제어하는 것을 말합니다.
간단히 얘기하면 하나의 Control valve 를 2개의 Transmitter 를 사용해서 최우선적인 Value 를 동작 제어하는 것이 되겠습니다.
P&ID 보는법 기초 6번째 시간으로 Condenser 를 사용하는 공정에서 Overriding process control 어떻게 동작하는지를 살펴보겠습니다.
P&ID 보는법 기초 6번째 시간으로 Condenser 를 사용하는 공정에서 Overriding process control 어떻게 동작하는지를 살펴보겠습니다.

STEP. 1 - Condenser 배치
그림 1-1 과 같이 Condenser(콘덴서) 를 배치하였습니다.
콘덴서에 대해서 간략히 알아 보겠습니다.
콘덴서 -> 응축기라고 하며 고온 고압의 Steam 이나 Vapor 등을 응축시켜서 회수시켜주는 장치 입니다.
플랜트 공학에서는 발전소에 들어가는 Condenser 가 가장 대표적이라고 할 수 있겠네요.
간단한 예로 뜨거운 수증기에 찬 물을 뿌리면 수증기와 같은 응축성 Gas 가(Phase) 상변화 기체->액체로 변하는 것 과 같은 원리가 적용된 장치라 이해하시면 되겠습니다.

Gas가 들어오는 유입구와 응축되어 다음 공정으로 가기 위한 Condensate line 을 추가하였습니다.

STEP. 3 - Condenser Cooling water inlet
Condenser 의 응축을 위해 Cooling water 의 Source(냉각) 는 River water(강물) 를 사용하겠습니다 이를 위해서 노즐을 추가하였습니다.

STEP. 4 - Temperature transmitter and control valve
Condenser 내부 온도 Control 을 위한 Temperature transmitter 와 Control valve 를 부착하였습니다.
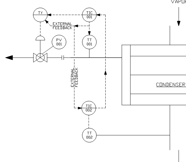
Overriding control 을 위한 간단한 P&ID 가 완성된 모습입니다.

STEP. 5 - Overriding Process Control.
완성된 P&ID 를 바탕으로 Overriding process control 에 대해서 알아 보겠습니다.
Figure 1-5는 Overriding process 를 설명하고 있는 것으로 Condenser 의 내부 Cooling water source 를 River water 를 사용하고 있습니다.
열교환 장치에서 River water 의 경우는 온도가 50 Deg.C 이상으로 상승할 경우 Fouling(오염) 지수가 굉장히 빠르게 높아집니다.
이는 열교환 효율을 떨어뜨리게 되므로 가능한 신속히 제어해 주어야 합니다.
일반적인 상태에서 Condensate line(배출부)쪽의 온도를 TT-002 가 Monitoring 하고 Control valve (PV-001) 의 개도율을 조절하여 나가는 물양을 조절하며 Condenser 내부의 온도를 제어하고 있습니다. TT-001 은 Control valve 전단에 설치되어 Control valve 를 통해 나가는 River water 의 온도를 감지하고 있습니다.
여기까지가 Normal 상태입니다.
어떠한 이유로 Control valve 방향으로 나가는 River water의 온도가 50 Deg.C를 초과하게 되면 External feedback 을 통해서 TT-002 가 가지고 있던 PV-001 control valve 의 제어를 Take-over (인수받다) 하여 TT-001 이 최우선 제어권을 받아 PV-001 을 제어하게 됩니다.
TT-001 에서의 측정값이 나가는 River water 의 온도가 50 Deg.C 이하로 혹은 Setting value 이내로 들어오면 이때부터는 다시 TT-002 로 PV-001 의 제어권을 전달 받아 Normal 상태로 운전을 하게 됩니다.
TT-001 에서의 측정값이 나가는 River water 의 온도가 50 Deg.C 이하로 혹은 Setting value 이내로 들어오면 이때부터는 다시 TT-002 로 PV-001 의 제어권을 전달 받아 Normal 상태로 운전을 하게 됩니다.
이처럼 하나의 Control valve 를 두개의 Sensing element 를 사용하여 동작 제어하는 것을 Overriding process control 이라고 합니다.
이상 궁금한 플랜트 이야기 였습니다.
이상 궁금한 플랜트 이야기 였습니다.
반응형
'P&ID 기초 교육자료' 카테고리의 다른 글
[9회] Draft Fan 설비 P&ID 기본 구성의 이해 (1) | 2023.10.18 |
---|---|
[8회] P&ID Tag 설명의 이해 (0) | 2023.10.18 |
[6회] 반응기 온도 제어 (3) | 2023.10.18 |
[5회] Suction Drum P&ID 검토 (0) | 2023.10.18 |
[4회] Level 게이지 P&ID 심볼의 이해 (0) | 2023.10.18 |
댓글