
오늘의 궁금한 플랜트 이야기 주제는 P&ID 보는 법 Part 4. Suction Drum 입니다.
Suction Drum 은 Vapor-Liquid separator 의 하나로서 Feed inlet 을 통해 들어온 Vapor 와 Liquid 를 기수분리 해주는 장치 입니다.
비중 차에의해서 Phase 를 분리 해주는 것으로 Vapor, Gas 상태는 장치 상부방향으로 비중이 무거운 Liquid 는 하부방향으로 이송시키면서 downstream equipment 보호해주는 목적의 장치 입니다.
Suction drum 의 주 목적을 살펴 보았으니 이제 P&ID로 도식화 해보겠습니다.
Step. 1 <Figure 2-1>
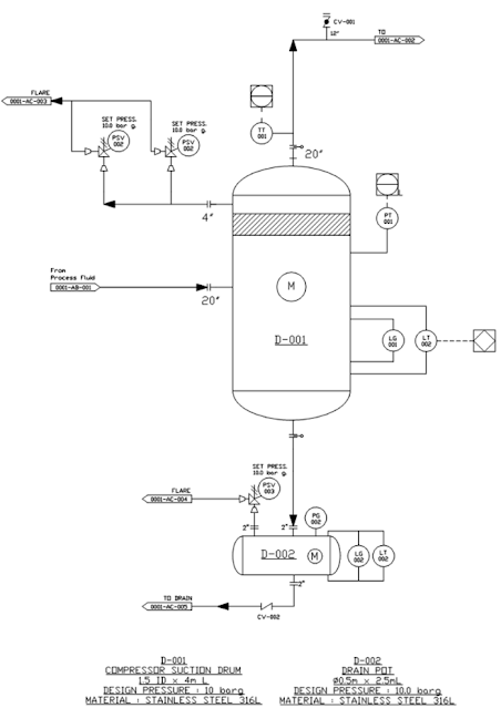
먼저 Compressor Suction Drum 을 도식화 하였습니다.
기기번호는 D-001 을 부여하였습니다.
Equipment summary ;
Equipment No. : D-001
Equipment Name : Compressor Suction Drum
Design pressure : 10.0 bar g.
Material : Stainless Steel 316L
P&ID 상에 간략히 기기에 대한 정보를 기입하였습니다.
Step. 2 <Figure 2-2>
Process Fluid line 을 D-001 좌측편에 연결하였습니다.
이로서 Inlet 을 통해 Process Fluid 화살표 방향으로 이동하게 되었습니다.
Step. 3 <Figure 2-3 System Outlet>
Inlet 을 도식화 하였으니 이번에는 System outlet 을 도식화 하겠습니다. Suction drum 상부에 위치해서 0001-AC-002 로 기수 분리된 Gas, Air 등의 Fluid 의 이동을 위한 도식화가 완료 되었습니다.
TT-001 : Temperature Transmitter 입니다. Suction Drum 내부에서 Outlet 을 통해 이동하는 Fluid 의 온도를 측정하기 위해 설치하였습니다.
Transmitter 를 통해서 내부의 Normal / High / Low 의 온도를 측정 할 수 있습니다. 이는 DCS 나 Control room 에서 Monitoring 을 할 수 있습니다.
CV-001 : Butterfly valve 를 설치하였습니다.
향 후에 Spare 로서 가스 이송을 위한 추가적인 Compressor Air 를 넣거나 다른 목적을 위해서 추가하였습니다. 지금 당장 사용할 목적이 아니기 때문에 Blind flange 를 추가하였습니다.
Tip.
System Inlet Nozzle size 가 20" 였는데요, System Outlet size 도 똑같이 20" 로 Design 하였습니다.
Outlet 의 Size 가 Inlet 보다 작을 경우 Suction pressure 내부에 Back pressure (배압) 이 발생해서 Compressor 의 Performance 에 영향이 미치며 Process 의 효율이 떨어지게 됩니다.
Vapor & Liquid Separator 의 경우 대부분에 있어서
Outlet Nozzle 의 Size 는 Inlet nozzle size 보다 같거나 혹은 커야 합니다.
대표적으로 Outlet 쪽에 배압이 걸리게 되면 Compressor 등의 동력이 상승하는 원인이 될 수 있습니다.
기본적인 Design basis 입니다.
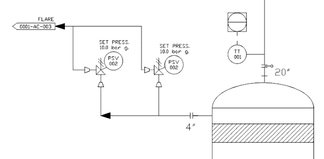
Step. 4 Safety Valve
Process 에 사용되는 압력 Vessel 에 대해서는 안전을 위한 장치로 안전벨브를 부착하여야 합니다.
여기서는 PSV 001, 002 두개를 Dual 로 장착하여 유지보수나 Capacity 확보를 하는 것으로 목적을 두고 추가하였습니다.
PSV 후단쪽에 Flare 는 Gas, Vapor 를 태우기 위한 목적의 후공정 Line 을 의미합니다.
Tip.
Severe 한 Pressure Vessel Equipment 들에 대해서는 이처럼 Dual 로 PSV 를 설치해야 하는 규정이 있는 것들이 있습니다.
이는 공사별로 차이가 있으므로 초기 단계에서 유의깊게 확인하여야 하는 사항입니다.
Step. 5 LG, LT, PT
D-001 Suction Drum 우측에 PT, LG, LT 를 추가하였습니다.
PT 001 : Vessel 내부의 압력을 측정하기 위해 설치하였습니다. 압력이 Normal (Setting 압력) 이하로 떨어지게 되면 Process 상에 문제가 있을 수도 있는 것이므로 L 을 추가하여 Vessel 내부의 압력을 Monitoring 하고 있습니다.
LG 001 : Level Gauge 를 추가하였습니다. Local 에서 Operator 에 의해서 현장에서 즉각적으로 확인 하기 위함입니다.
LT 001 : Level Transmitter 를 부착한 이유는 Vessel 안의 Fluid level 을 Monitoring 하기 위함입니다.
Tip.
LG, LT 의 설치 위치는 Vessel 의 측면에 설치하여 Vessel 내부의 Fluid level 을 측정하기 위함입니다.
설치 위치는 Vessel 내부의 Normal level 을 기준으로 전체적인 부분을 Cover 할 수 있게 Length and Range 를 Setting 하여야 합니다.
설치 방법에 대해서는 다음번에 Post 하도록 하겠습니다.
Step. 6 Manhole
Suction Drum 중간에 M - Manhole 을 추가하였습니다. 이는 내부 유지보수 및 설치를 위해 필요한 것입니다.
Step. 7 Drain Pot
Drain Pot 은 Suction Drum 하부에 설치되며 기수분리된 Fluid (Liquid) 를 포집하여 다음 공정으로 보내기 전에 잠시 저장을 해 놓은 장치 입니다.
PSV 003 : Suction drum 과 마찬가지로 압력을 받고 있으므로 안전벨브가 설치 되었습니다. 안전벨브 후단쪽으로 배출되는 Gas 들은 Flare gas 처리 되어 집니다.
LG 002 : D-002 측면에 부착되어 Local 에서 Fluid level 을 측정하기 위해 부착하였습니다.
LT 002 : Fluid level 을 Monitoring 하고 제어 목적으로 설치하였습니다.
CV 002 : 역류방지 벨브 입니다. Drain 과정에서 역류할 수 있는 것을 방지하기 위해 일반적으로 Drain line 에 설치 되는 벨브입니다.
Compressor Suction Drum P&ID 완성된 모습입니다.
궁금한 플랜트 이야기 였습니다.
'P&ID 기초 교육자료' 카테고리의 다른 글
[7회] Overriding process control의 이해 (1) | 2023.10.18 |
---|---|
[6회] 반응기 온도 제어 (3) | 2023.10.18 |
[4회] Level 게이지 P&ID 심볼의 이해 (0) | 2023.10.18 |
[3회] 공압밸브 P&ID 계장신호의 이해 (2) | 2023.10.18 |
공압밸브 심볼 Standard의 이해 (1) | 2023.10.18 |
댓글