반응형

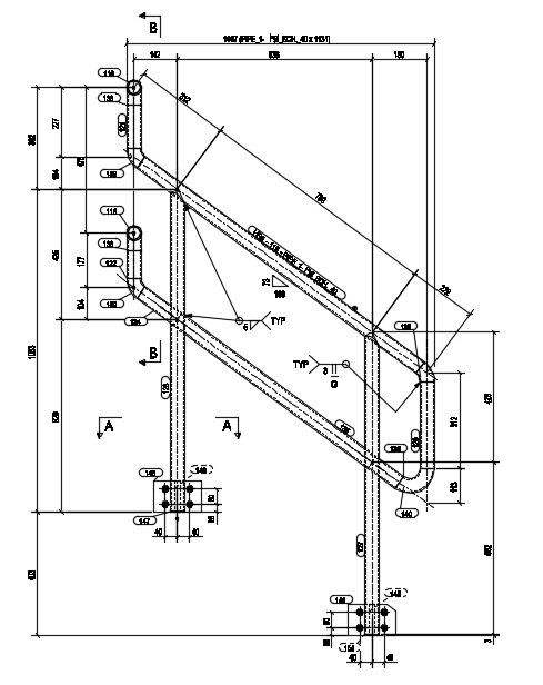
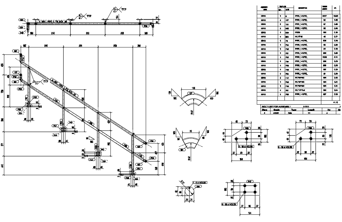
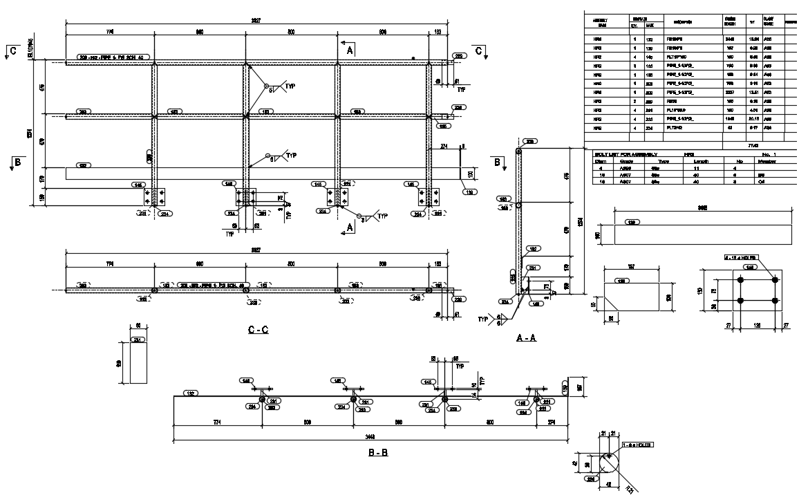
난간 설계 할 때 주의할 점은 발주처 사양서에 준하는 설계 입니다. 예를 들어 Handrail 파이프의 간격이나 높이 발판의 높이 등이 공사마다 차이가 있고 폭과 같은 것을 구체적으로 명시하는 경우가 있습니다.




첨부자료 (출처 : 미상)
첨부 자료는 상업적 결과를 보증하는 것이 아니며 사용자 재량에따라 사용할 것을 권고합니다.
반응형
'CAD & Block 자료' 카테고리의 다른 글
| 배관 ISOMETRIC 도면 셈플 (0) | 2023.12.09 |
|---|---|
| Ladder 설계자료 (1) | 2023.11.26 |
| 교통신호 팻말 캐드블럭 모음 (1) | 2023.11.06 |
| 3D CAD에서 작업한 도면(.idw)을 2D(.dwg) 일품다도로 신속히 전송하기 (0) | 2023.10.26 |
| Draftsight 시작하기 2 (0) | 2023.10.25 |
댓글