
엔지니어링 도서에 코멘트를 작성할 때 어떠한 색상을 사용할 까요? 사실 어떠한 색상을 사용하는지는 중요하지 않지만 그 안에는 주요한 목적이 숨어있습니다.
이를 확인하기에 앞서 멀지 않은 과거 인터넷이나 이메일이 없던 시절에는 엔지니어링 도서에 대한 Comment 는 출력물에 직접 손으로 작성한 그림이나 멘트를 달아서 Fax로 보냈습니다. 당시에는 빨강이던, 파랑이던 받는 사람쪽은 항시 흑색으로 된 출력물을 받아야만 했습니다. 하지만 오늘날에는 이메일과 문서 편집 프로그램의 발달로 칼라로 된 comment 를 보내는 것이 어지보면 당연한 일상이 되었습니다.
엔지니어링 도서상에 Comment 를 할 때 여러가지 방법이 있는데요
- 자체적인 프로젝트 시스템(웹접속)을 통해 문서의 수발신 (컴퓨터에서 작성됨)
- 출력물에 직접 손 글씨로 표기한 후 스캔해서 전달
- PDF 와 같은 Viewer에 comment를 달아서 전달
- 출력물에 Comment 를 달아서 우편으로 발송
요즘에는 우편을 거의 사용하지 않습니다. 옛날 방식이죠. 출력물을 스캔해서 이메일로 보내거나 PDF상에 Comment 를 달아 계약주나 협력업체가 주거니 받거니 하는 식으로 승인 업무를 진행하게 됩니다.
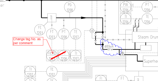
엔지니어링 업계에 표준은 없으나 빨강과 파랑을 주로 많이 사용합니다. 손으로 작성하는 Comment 에는 항상 원색계열의 Color 를 사용합니다.
- 빨강 : 삭제의 의미
- 파랑 : 추가의 의미
- 검정 : 검정은 General 한 Comment 의 의미를 갖고 있습니다. (상대적으로 덜 중요한)

그렇다면 왜 Comment 할 때 일반적으로 사용하는 검정색이 아닌 빨강이나 파랑색을 사용하는 것일까요? P&ID나 도면과 같이 검정계열로 출력된 문서의 경우 검정으로 Comment 할 경우 확인이 누락될 경우가 발생할 수 있습니다. 의견이나 반영요청 등 문서상에 편집이 필요한 구간에 대해서 담당 엔지니어가 아닌 제 3자가 보더라도 명시적으로 확인할 수 있게 추가, 변경, 삭제에 대한 내용에 대해 확연히 알 수 있게 Color 을 사용하는 것입니다.
어떠한 색상을 사용해서 Comment 하는 것에 대한 업계의 명확한 표준은 없으나 회사별 부서별 기준이 있다면 그에 따르고, 기준이 없다면 출력물에 손글씨로 Comment 를 작성할 때 파랑색을 사용하는 것이 가장 좋습니다.
'엔지니어링 기술자료' 카테고리의 다른 글
| Wet, Sour Service and HIC Test 란 무엇인가요? (0) | 2023.11.15 |
|---|---|
| 배관 재질 기초 - Piping ASTM Specifcation, UNS numbering (0) | 2023.11.13 |
| Pipe support 의 분류와 표준도면 (0) | 2023.11.13 |
| Compressor 시스템 설계시 용량 고려하기 (0) | 2023.11.13 |
| ASTM Piping 관련 Code 27가지와 KS, JIS, DIN 비교표 (0) | 2023.11.13 |
댓글