엔지니어링 기술자료

Pipe support 의 분류와 표준도면

Chandleridle 2023. 11. 13.
반응형

배관을 지지하는 Support 의 종류는 어떠한 것들이 있을까요? 배관 지지대는 크게 Support와 Restraints 로 나뉘어 집니다. 취부 형식에 따라 Steel bracket / U-bolt 형식이 있습니다.

  • Support : Pipe 의 하중방향으로 형태를 지지하거나 고정하는 목적의 형태
  • Restraints : 유체의 흐름방향에서 발행하는 열팽창이나 변형상태에 대한 고정, 보정의 목적의 형태
배관은 유체의 흐름 특성상 진동이 발생할 수도 있고 매립형이 아닌 천장에 메달거나 외부 돌출형으로 설치될 경우 Support를 설치 합니다. Support 는 아래와 같이 분류됩니다. 
  • Rigid support
  • Hanger
RIGID SUPPORT
 
Rigid란 빳빳하고 변하지 않는 단단한이라는 뜻을 가지고 있습니다.

RIGID Support 형식은 3가지가 있습니다.
  • Saddle
  • Shoe
  • Trunnion
아래 그림은 배관 Rigid support 의 한 형식인 Saddle type 입니다. 안장 형태의 둥근 벤딩(90~120도)철제 물을 구조물 위에 얹힌 상태에서 용접, 앙카작업을 통해 배관을 지지하는 형식입니다. 하중 형식에 따라 Support 의 크기도 변하게 됩니다. 
배관에 가해지는 하중이 크지 않거나 배관의 직경이 소형인 경우 Shoe (외팔보 형식) 타입을 적용하는데 말 그대로 배관에 수직방향으로 특정 구조물을 바닥에 용접하고 지점에 고정하는 형식입니다. Saddle type 이 배관 전체 면적을 받혀준다면 Shoe 타입은 한 지점에서만 지지해주는 형식입니다. <아래 그림 참조> Shoe type 의 경우 높이를 조절할 수 있게 바닥 Base 에 Jack bolt 를 결합해서 사용하기도 합니다. 

 

<Saddle type pipe support 출처 ayoqq>


<Rigid Support Saddle Type - 출처 Bing 상업적으로 무료 공유 및 사용>

 

<Shoe type pipe support 출처 ayoqq>

 
Trunnion 고정 방식은 아래 그림과 같이 배관의 측단에 용접 배관을 부착하여 구조물위에 고정 Support 하는 방식입니다. 이 방식의 선정 과정에서 주의해야 할 점은 배관내 Bending moment 에 의한 파손의 유무 입니다. 모멘트의 파손우려 구간에는 사용하지 않습니다. 지지해주는 파이프의 길이는 최대한 짧게 설계 하고 지점을 용접부에 최대한 가깝게 하여 휘어짐 응력에 의한 강성을 올려야 합니다.
<Pipe trunnion support 출처 ayoqq>


HANGERS SUPPORT
 
Hanger란 우리말로 옷걸이를 말 합니다. 배관을 옷걸이에 걸듯이 장착하는 support로 천장에 배관을 설치할 때 적용하는 방법입니다. Rod Hanger 라고 하며 파이프 서포트의 가장 대표적인 형식이라 할 수 있습니다. 결속 방식은 강 재질의 판금물을 클램프 형식으로 취부하거나 클릭 형태로 체결하는 방식을 사용합니다. 천장의 철 구조물에 장착하는데 특징은 모멘트 하중에 의한 파손 우려가 적고 유체의 흐름 방향 즉 축방향으로 하중 및 열팽창에 대한 유연성을 갖고 있습니다. 아래 그림은 Hanger type 의 예시입니다. 배관 하중에 적합한 형태를 메이커별 모델을 선정하는 과정을 거칩니다.

<Hanger pipe support 출처 ayoqq>
 
RESTRAINTS SUPPORT

RESTRAINTS 란 우리말로 규제, 자제를 뜻 합니다. 배관은 앞서 말 한 것처럼 유체의 이송시 진동으로 인한 흔들림, 높은 열의 유체 이송시 열팽창, 그리고 전단하중과, 축하중이 발생할 수 있습니다. 엔지니어링 과정에서 이러한 요소를 고려하여 한다면 배관의 연결 부위에 RESTRAINTS 추가하는 것을 검토해야 합니다. RESTRAINTS 는 열팽창에 및 진동을 흡수하고 각도 변위값에도 보정하는 기능을 갖고 있는 제품군들이 출시되어 있습니다. 아래의 동영상 링크를 보면 RESTRAINTS 의 목적을 이해할 수 있습니다.

 

 

참고자료
 
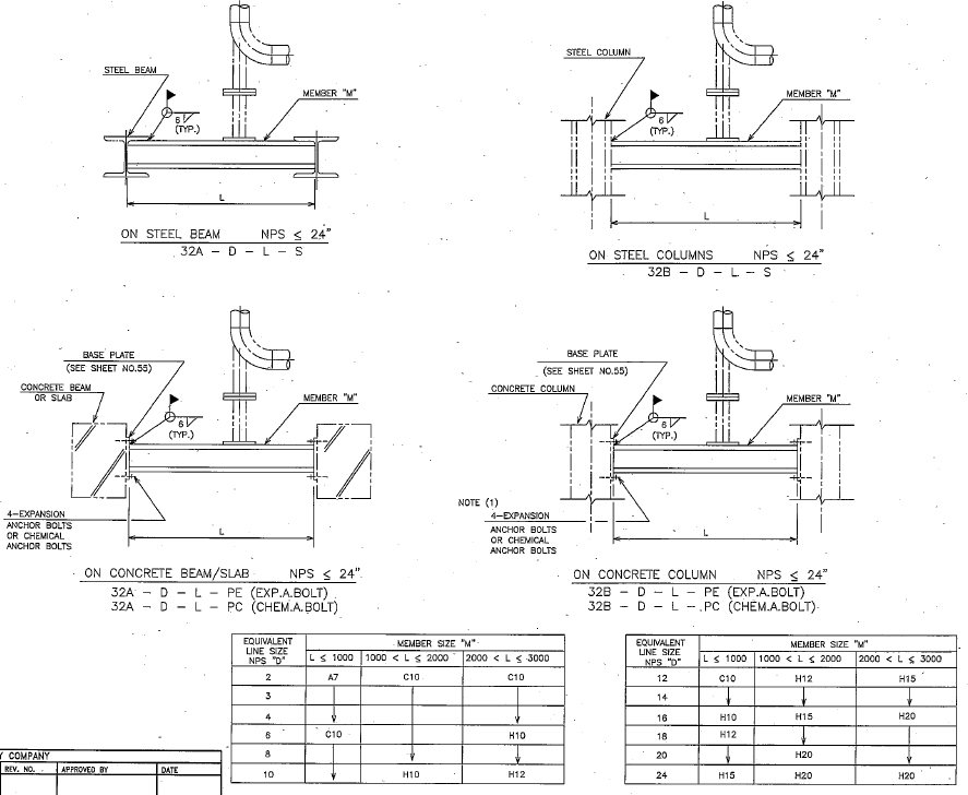
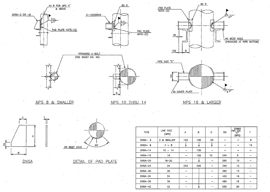
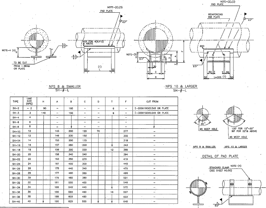
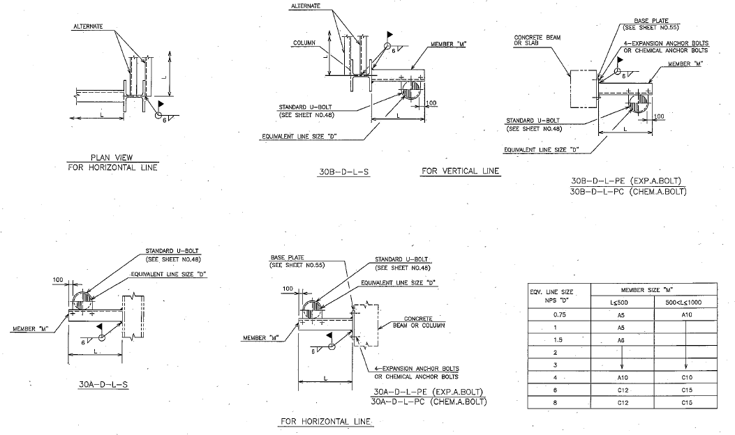
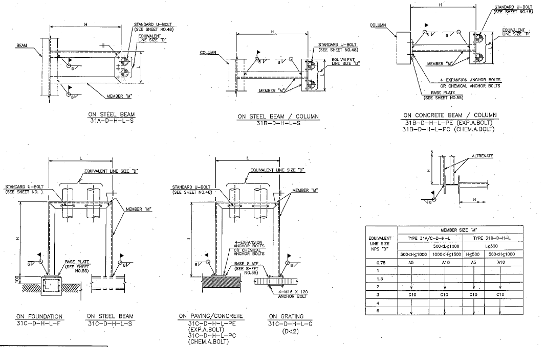
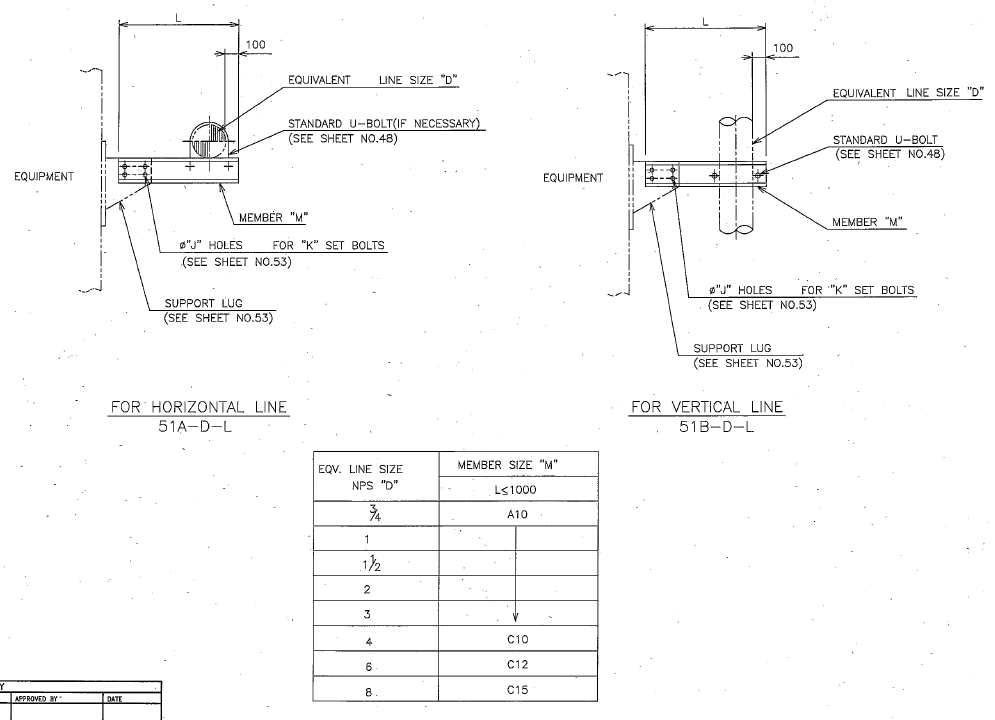
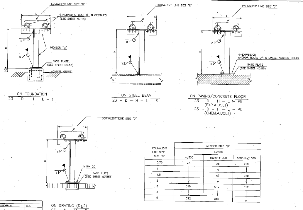
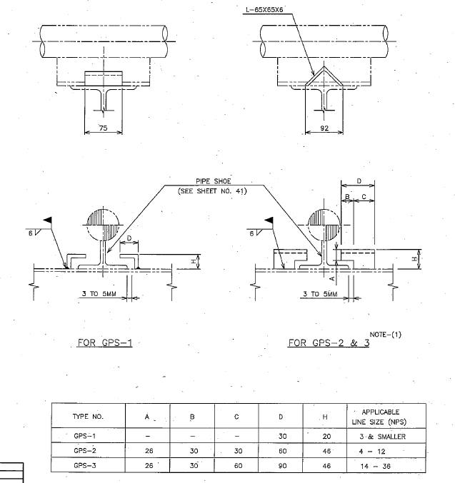
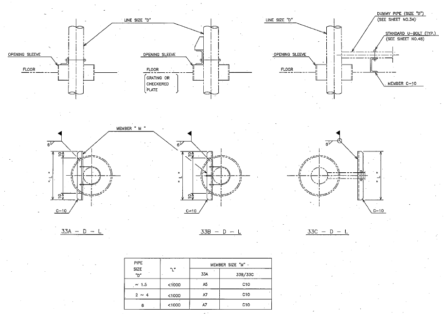
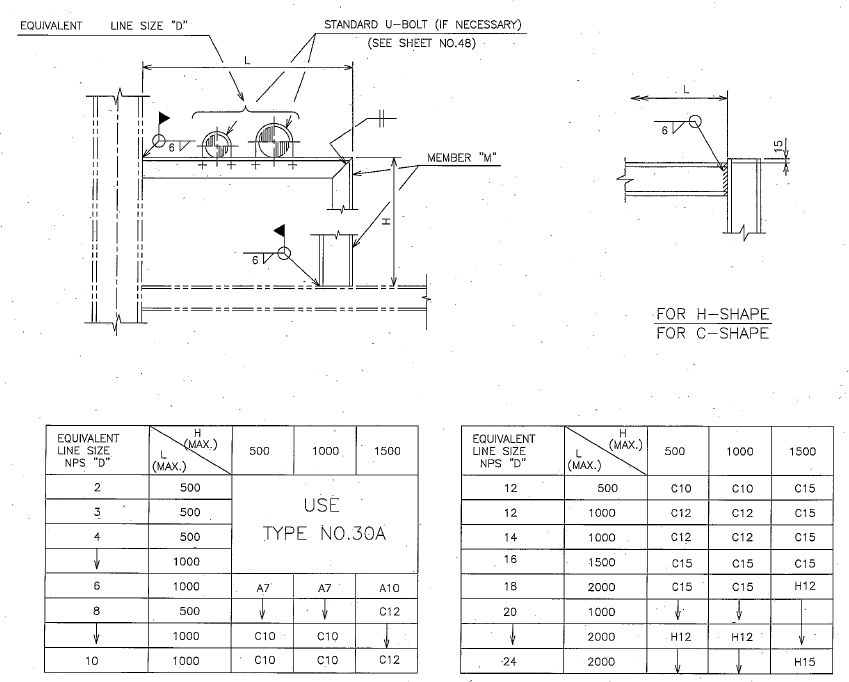
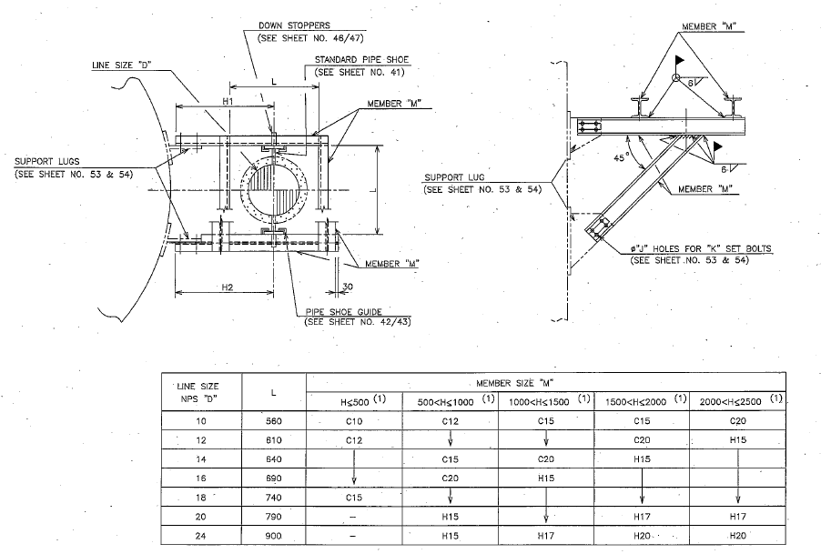
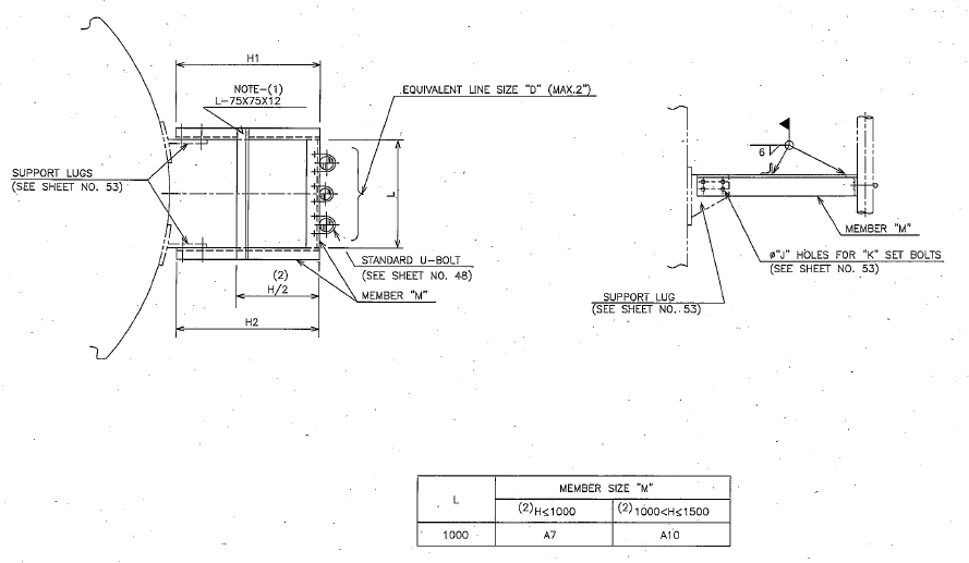
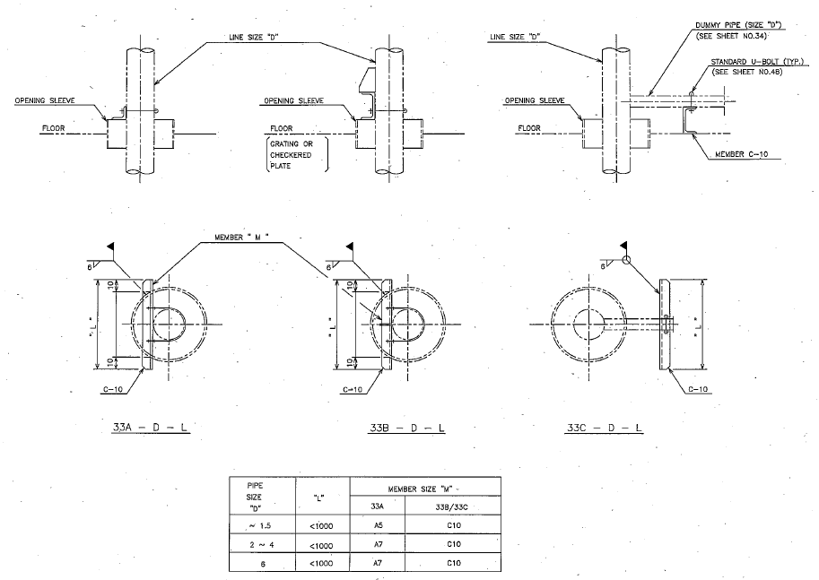
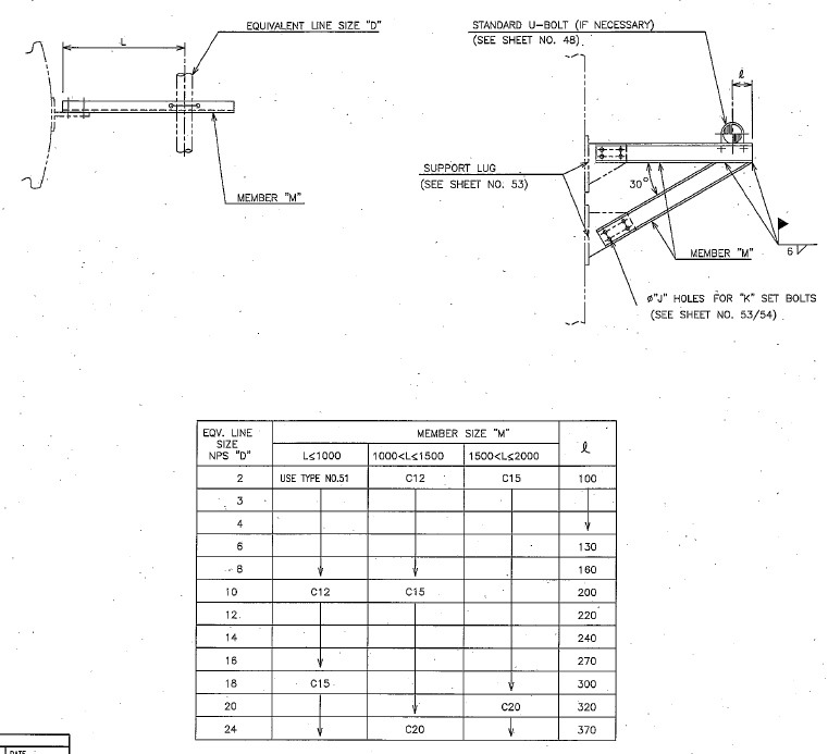
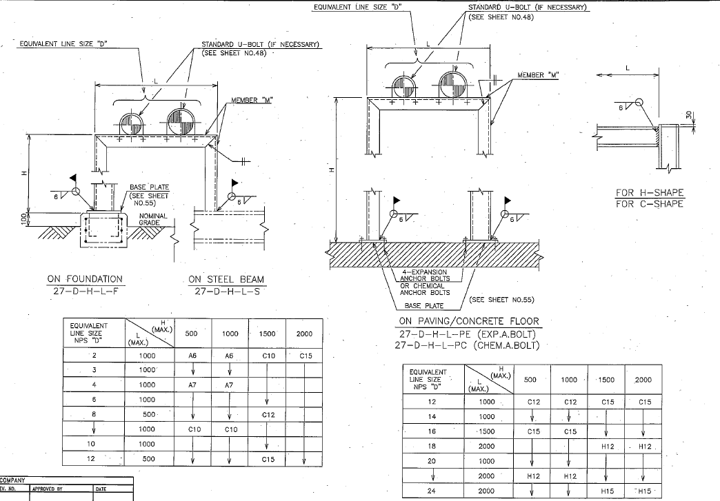
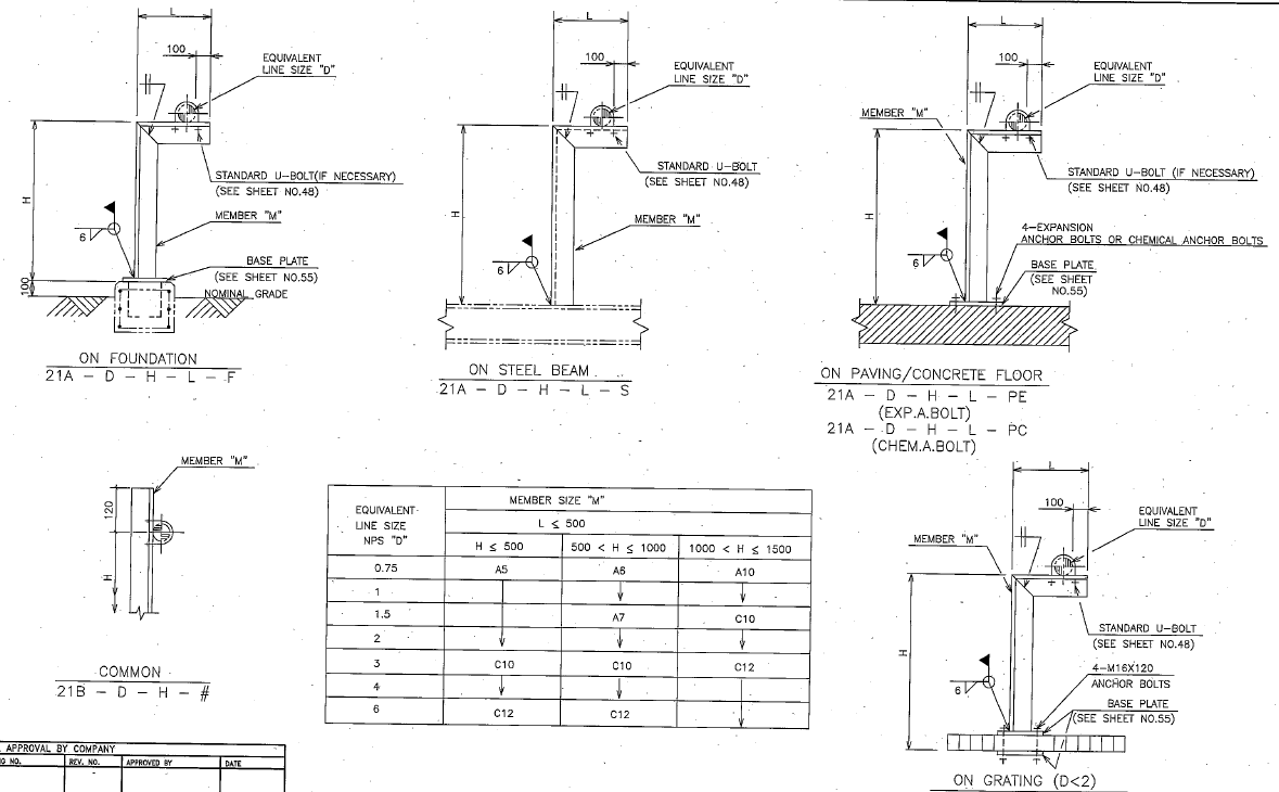
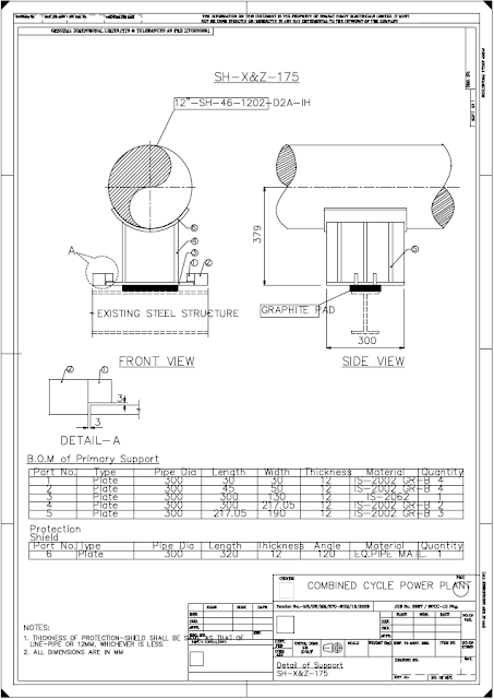
* 배관 지지대 표준 참고 도면 
** 그림이 잘 보이지 않을 경우 ctrl + 마우스 휠 위쪽으로 확대 (인터넷 창 크기 확대)
 
 
 
 
 
 
 
 
 
 
 
 
 
 
 
 
 
 
 
 
 
 
 
 
 
 
 
 
 
 
 
 
 
 
 
INSIDE INSIGHTS ENCYCLOPEDIA
 

별첨자료

 

Piping Support Design block.zip
1.89MB

반응형

댓글